全国24小时空降_全国空降24小时服务下载_全国品茶联系方式_全国空降24小时服务联系方式

伊本气动有限公司

地址:浙江省乐清市柳市镇黄七甲工业区
电话:0577-62777889
传真:0577-62777880
网址:www.f8ysg16rd8.cn
邮箱:ibn@ybyypc.com
         sale1@ybyypc.com

 

 
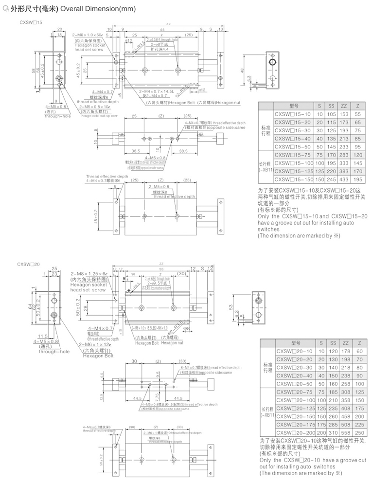
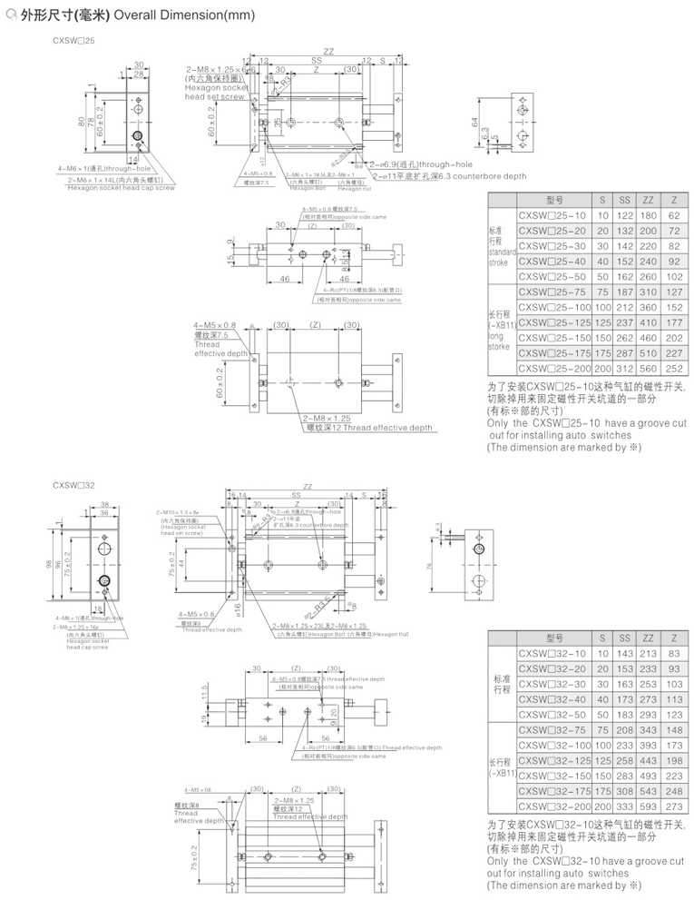
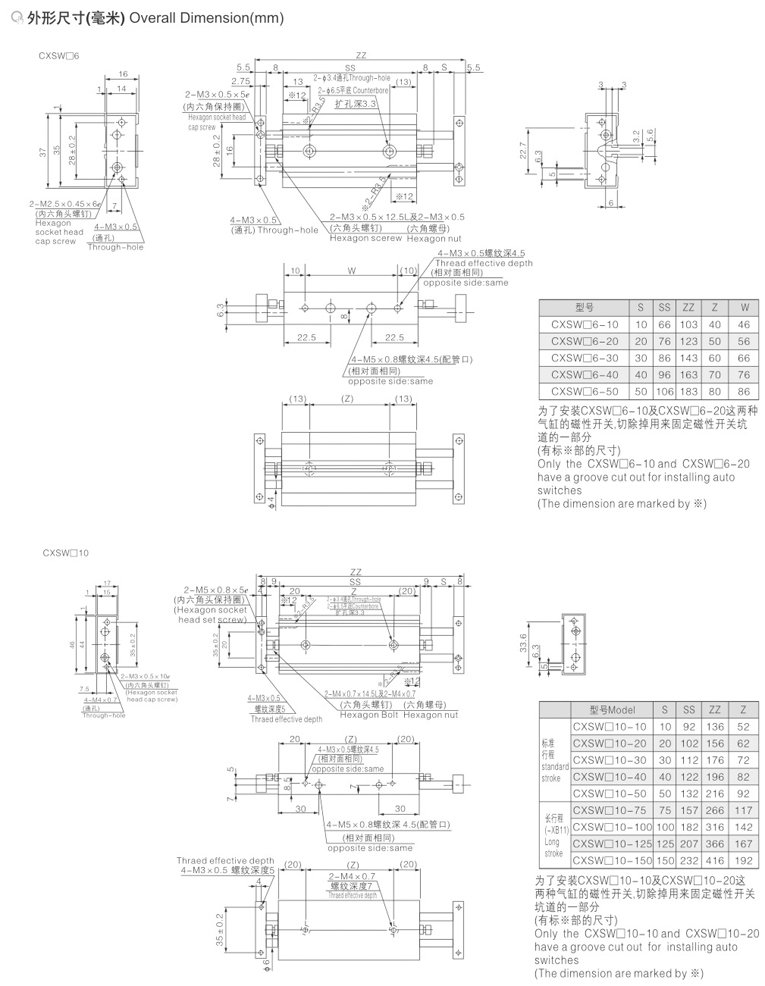
当前位置首页产品中心执行元件系列双轴气缸

CXSW系列双轴气缸

 

 

 

主站蜘蛛池模板: 永善县| 米脂县| 瑞金市| 黄浦区| 镶黄旗| 贡觉县| 于田县| 萝北县| 仲巴县| 富源县| 泸定县| 新泰市| 佛冈县| 东阿县| 台安县| 祁东县| 威海市| 栾城县| 莒南县| 旬邑县| 东乡| 襄汾县| 左云县| 梓潼县| 福鼎市| 丹东市| 左权县| 万宁市| 浮山县| 汤原县| 土默特左旗| 平顶山市| 江阴市| 西昌市| 阳朔县| 泰宁县| 慈溪市| 龙游县| 措美县| 陆川县| 鄂托克前旗|