全国24小时空降_全国空降24小时服务下载_全国品茶联系方式_全国空降24小时服务联系方式

伊本气动有限公司

地址:浙江省乐清市柳市镇黄七甲工业区
电话:0577-62777889
传真:0577-62777880
网址:www.f8ysg16rd8.cn
邮箱:ibn@ybyypc.com
         sale1@ybyypc.com

 

 
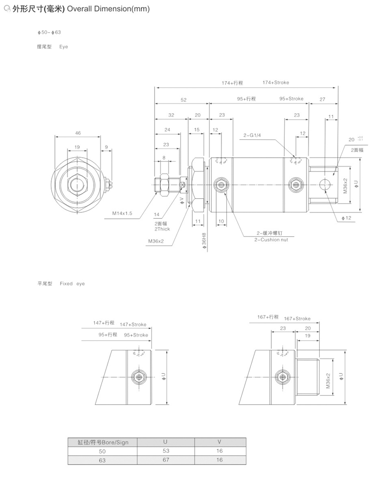
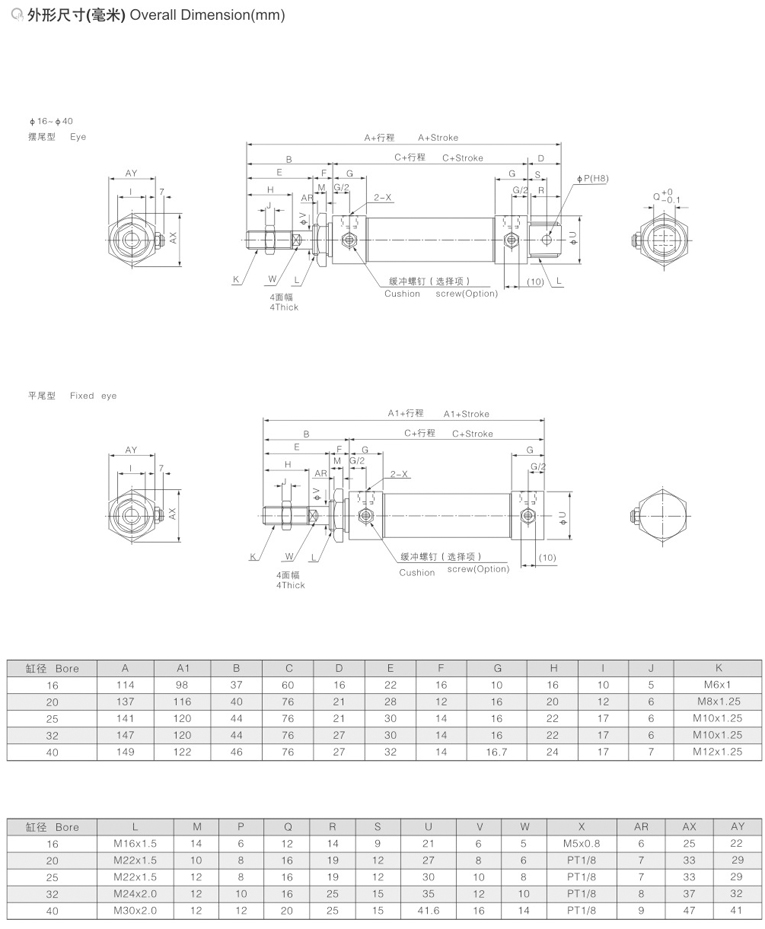
当前位置首页产品中心执行元件系列不锈钢迷你气缸

MA系列不锈钢迷你气缸

 

 

主站蜘蛛池模板: 犍为县| 井冈山市| 龙井市| 建昌县| 新疆| 松原市| 琼结县| 页游| 鄂尔多斯市| 金坛市| 筠连县| 西林县| 崇阳县| 吉隆县| 钟山县| 额敏县| 兴宁市| 镇原县| 金塔县| 辽中县| 竹山县| 斗六市| 西丰县| 海林市| 雅安市| 海口市| 双辽市| 东乌珠穆沁旗| 桐庐县| 五台县| 沙洋县| 澄城县| 清流县| 仁怀市| 天祝| 长春市| 衡山县| 龙南县| 罗田县| 五原县| 宁武县|